EC成年人草莓视频M08
产品详情
1.产品简介
草莓黄片下载安装全新一代ECM产品是取代草莓视频APP免费下载污的高效电机,相比同类产品具备更高的效能,更低的成本及提供更安静环境。在尺寸和安装方式上兼容草莓视频APP免费下载污,体积和温升更小,具备多种材料可供客户选择(塑料、铝),防护等级达到IP65,通过多项安全认证(VDE、UL、CE、CCC)
-效率达到65%
-速度不受电压波动
-滚珠轴承润滑,运行平稳
-内置电子控制器,具备过载和堵转保护
-可替代常规交流感应电机
-提供5V,12V,24V,115V,127V,和230V
-可以控制正反转,双速,调速,调速区间(400-2200rpm)
-工作温度-20℃~+50℃,特殊定制:-40℃~+70℃
2.应用范围
超市商业冷柜与冰箱
饮料自动售货机
制冰机
家用冰箱
3.技术参数
| 型号 | 额定电压 | 频率 | 额定电流 | 转速 | 输入功率/输出功率 |
| ECM08A110 | 1~110V | 50/60 | 0.16 | 1550 | 11/7 |
4.风量测试
| 序号 | 型号 | 轴向叶轮直径 | 轴向叶轮叶片角 | 输入功率 |
| 1 | ECM08 | 154 | 22 | 4.0 |
| 2 | ECM08 | 154 | 28 | 4.8 |
| 3 | ECM08 | 154 | 34 | 6.8 |
| 4 | ECM08 | 172 | 28 | 5.5 |
| 5 | ECM08 | 172 | 31 | 7.1 |
| 6 | ECM08 | 172 | 34 | 7.6 |
| 7 | ECM08 | 200 | 22 | 6.2 |
﹡ 转速 = 1550RPM


5.电机噪音值估测

6.EC电机控制模式

7.手机远程

使用手机APP软件来控制ECQ,ECM系列电机,可以实现如下功能:
控制电机正反转
远程控制速度
实现可编程的调速曲线
可连接传感器信号
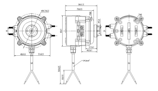
8.外形尺寸图








