ECM贯流风机
产品简介
1.ECM贯流风机是一种高效、可靠、节能的新型风机,其特点是采用了电子式能量调节器(ECM)技术,可实现多速度、电子风门和静压控制等功能,使其在多种应用场景下都有着极高的适应性。
2.风机的叶轮具有创新的设计,能够大幅提高风机效率,降低噪音水平。此外,由于其采用了无刷电机技术,风机运转稳定、寿命长、维护成本低。
3.产品优点:
● 高效节能:以往的传统风机常常会产生大量的能量浪费,而ECM贯流风机则是通过调节风门和静压控制来合理利用能源,在保证正常工作的前提下,能够显著的降低能量消耗。
● 静音运行:风机噪音是传统风机经常被诟病的问题,但本类型风机可低噪音运行,使其更适合在商业和住宅建筑内运行。
● 高度可控:由于其采用了电子式能量调节器技术,可以通过多速度、电子风门和静压控制来调节,以达到较好的效果。
技术参数
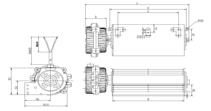
贯流型号(mm) | 电机 | 电压(V) | 转速 | 工作温度 | A(mm) | B(mm) | C(mm) | D(mm) | E(mm) |
LB60*180 | ECM08 | AC110-230 | 1300-2500 | -30-+50℃ | 53 | 180 | 255 | 192 | 153.5 |
LB60*240 | ECM12 | AC110-230 | 1300-2300 | -30-+50℃ | 72 | 240 | 333 | 252 | 211.5 |
LB60*300 | ECM12 | AC110-230 | 1300-2300 | -30-+50℃ | 72 | 300 | 394 | 312 | 211.5 |
LB60*360 | ECM12 | AC110-230 | 1300-2300 | -30-+50℃ | 72 | 360 | 455 | 372 | 331.5 |
LB60*420 | ECM12 | AC110-230 | 1300-2300 | -30-+50℃ | 72 | 420 | 516 | 432 | 391.5 |
输入功率
电机 | 转速(RPM) | 输入功率(W) | ||||
60*180(mm) | 60*240(mm) | 60*300(mm) | 60*360(mm) | 60*420(mm) | ||
ECM08 | 1300 | 2.3 | 3.1 | 4.2 | 6.5 | / |
ECM12 | 1.5 | 2.8 | 3.5 | 5.9 | 12.5 | |
ECM08 | 1550 | 3.8 | 5 | 6.1 | 12.5 | / |
ECM12 | 3.3 | 4.6 | 5.7 | 10.1 | 15.4 | |
ECM08 | 1800 | 4.8 | 6.7 | 9.1 | / | / |
ECM12 | 4.2 | 5.9 | 8 | 12.5 | 18.5 | |
ECM08 | 2300 | 8 | / | / | / | / |
ECM12 | 7.5 | 10.5 | 14.1 | 18.5 | 22 | |
风机风量
M | 转速(RPM) | 输入功率(W) | ||||
60*180(mm) | 60*240(mm) | 60*300(mm) | 60*360(mm) | 60*420(mm) | ||
ECM08 | 2300 | 8 | / | / | / | / |
ECM12 | 7.5 | 10.5 | 14.1 | 18.5 | 22 | |
FLOW风量(m³/h)0Pa | ||||||
145 | 230 | 290 | 330 | 390 | ||
外形尺寸








