1. 草莓黄片下载安装,草莓视频黄色在线观看,成年人草莓视频,草莓视频APP免费下载污

      空调草莓视频黄色在线观看

      空调草莓视频黄色在线观看

      产品概述

        空调草莓视频黄色在线观看是空调系统中不可或缺的关键组件之一。它通过离心力将空气抽入风机,并通过旋转叶轮将空气加速,然后将其送入空调系统中。其独特的设计结构使其能够以高效、节能的方式提供稳定的空气流动。该产品具有多种应用场景,如商业建筑、工业设施、医疗机构、住宅等。除了被用于冷却、加热和通风系统中为室内提供舒适的环境外,还广泛用于空气净化机组、冷暖风机及工矿企业上。本类风机可根据需求提供不同的风量和静压,以适应各种类型的空调系统要求。

      工作原理

        以制冷型空调风机为例,从压缩机出来的高温高压制冷蒸汽通过高压软管进入冷凝器,由于室外温度低于进入冷凝器的制冷剂温度,借助于冷凝风扇的作用,在冷凝器中流动的制冷剂的大部分热量被室外空气带走,从而高温高压气体被冷凝成高温高压的液体。这种高温高压液体流过节流膨胀阀时,由于节流作用,体积突然变大而降压,变成低压低温的雾状液体进入蒸发器,并在定压下汽化,由于制冷剂在管内汽化时的温度低于蒸发器管外的车内循环风,故它能吸收管外空气中的热量,从而使流经蒸发器的空气温度降低,从而产生制冷降温效果,汽化了的制冷蒸汽被压缩机抽吸压缩,变成高温高压气体,完成一个制冷系统的循环。

      空调草莓视频黄色在线观看工作原理图

      产品优势

        由于空调类型的多种多样,并不是所有的都会采用草莓视频黄色在线观看,有些会使用轴流风机。不过与轴流风机相比,空调草莓视频黄色在线观看主要有以下优势:

        1.静压能力更强:风机能够产生更大的正压或负压,适用于需要长距离送风或克服管道阻力的应用。

        2.适用范围更广:可根据需要提供不同的风量和静压,能用于各种空调系统,适应多种应用场景。

        3.空间利用率高:在相同风量下,其体积相对较小,更适合在机房、地下室等空间有限的环境中使用。

        4.噪音控制出色:其独特的设计结构能够减少噪音和振动的产生,从而提供更为安静的工作环境。

      外转子空调草莓视频黄色在线观看

      技术参数

        以型号YWFB4E500的风机为例,其主要产品参数如下:

        类型:后倾式草莓视频黄色在线观看

        品牌:草莓黄片下载安装LIONBALL

        叶轮:增强塑料

        转子:镀锌钢板/不锈钢板

        防护等级:IP44/IP54

        绝缘等级:B/F

        认证:CCC CE

        安装方式:任意

        工作温度:-20~+50℃

        控制方式:0-10V/PWM/RS-485

        电子保护:过压/堵转

        额定电压:230V

        工作频率:50Hz

        输入功率:1560W

        电机转速:1340RPM

        最大风量:7680M³/H

        噪音:82dB

      后倾式空调草莓视频黄色在线观看

      结构组成

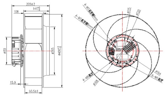
        空调草莓视频黄色在线观看主要由室外机和室内机这两个部分组成。其中室外机主要负责的是制冷或制热,而室内机则是将冷气或热气输送到室内,并通过管道将室内的热空气或冷空气搬运到室外,从而达到降温或升温的效果。

      空调草莓视频黄色在线观看结构尺寸图

      安装说明

        1.在安装空调草莓视频黄色在线观看前,一定要先检查风机的完整性,比如叶轮、机壳、进风口、支架、电机、皮带轮、联轴器、消音器、传动件(轴承)等元件是否齐全。还有就是注意检查这些元件是否又损坏变形的现象,如果直接安装这些损坏的元件,将会给风机的质量带来巨大的影响。

        2.在安装的时候,为了防止安全事故的发生,注意风机的一些装置是必须要安装的,比如风机底座有直接安装在基础上和安装在减震装置上两种。

        3.如果对安装的过程不了解,较好先熟读安装说明书,如果还是不懂的话,就要请专业的安装人员来了。

      中央空调草莓视频黄色在线观看

      价格行情

        空调草莓视频黄色在线观看的市场价格因多种因素影响而有较大差异,如型号、规格、品牌、销售渠道等。通常单台价格在二三百元至一千元以上。其中较小型号、低风量、低静压、普通或低端品牌的风机价格较低,一般只卖几百元左右一台。而较大型号、高风量、高静压、知名品牌的风机价格可高达数千元一台。注意实际价格可能会受到市场供需、地区差异和个别销售商的具体定价等因素影响。购买时建议与专业供应商联系,以获得最新准确的报价。

      后倾式空调草莓视频黄色在线观看

      厂家简介

        草莓黄片下载安装是一家专注于各种用途风机(如空调用离心式风机)与电机等产品的研发、制造和销售的高新技术企业。拥有ISO9001质量管理体系认证和ISO14001环境管理体系认证。产品广泛应用于通风、空调、制冷、医疗、新风、空气净化、新能源、汽车配件和家用电器等行业领域。“草莓黄片下载安装”品牌在行业中享有较高知名度。公司主要产品通过了德国VDE、美国UL、欧洲CE和ROHS及中国CCC认证。与EMERSON(艾默生)和PANASONIC(松下)等世界知名企业有着紧密的合作关系。

      推荐阅读

        草莓视频黄色在线观看在空调中的应用

        空调草莓视频黄色在线观看应该如何安装(方法介绍)

        空调草莓视频黄色在线观看的主要功能有哪些?

        空调草莓视频黄色在线观看的组成和原理

        空调草莓视频黄色在线观看的原理和功能

      电话

      7×24小时服务热线 0574-28825866

      返回 顶部
      网站地图