EC草莓视频黄色在线观看280mm
产品详情
1.产品简介
①型号:ECB280A230
②电机类型:EC
③材料:铝
④认证:CCC CE
⑤绝缘等级:F
⑥工作温度:-20 —+50°
2.技术参数
| 额定电压 | 输入功率 | 频率 | 转速 | 风量 |
| 230 | 180 | 50/60 | 2174 | 1965 |
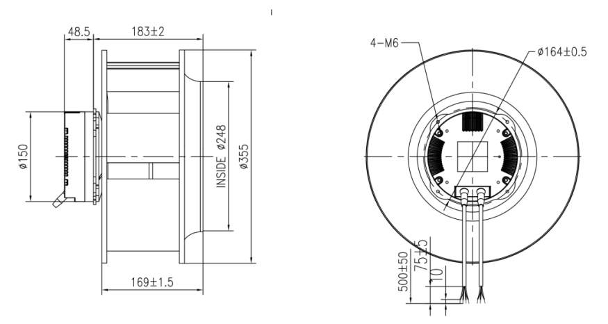
3.外形尺寸图

4.风量风压曲线图


1.产品简介
①型号:ECB280A230
②电机类型:EC
③材料:铝
④认证:CCC CE
⑤绝缘等级:F
⑥工作温度:-20 —+50°
2.技术参数
| 额定电压 | 输入功率 | 频率 | 转速 | 风量 |
| 230 | 180 | 50/60 | 2174 | 1965 |
3.外形尺寸图

4.风量风压曲线图

7×24小时服务热线 0574-28825866