外转子轴流风机YWF200
产品详情
1.产品简介
该款产品风叶直径为200mm,是额定电压为120V和220V的2极或4极单相电容运转电机,可以适应不同国家的电压使用需求,通用性强。其采用轴流式结构,具有结构简单、使用稳固可靠,功能选择范围广的特点。该产品的噪音最高不超过51dB(A),最高转速可达到2800rpm,用于工厂局部通风,能够有效改善工作环境。该型号风机通风量在540-910㎡/h,用户可以根据实际使用情况选择。草莓黄片下载安装的产品安装使用方便,通风换气效果明显,欢迎有需求的用户选购。
草莓黄片下载安装外转子轴流风机的分类、行业应用、结构特点、设计选用说明、风机型号说明、产品认证等信息详见:外转子轴流风机YWF系列产品概述
2.技术参数
| 型号 | 额定电压(V) | 频率 (Hz) | 额定电流(A) | 输入功率(W) | 速度 (r/min) | 最大风量(m³/h) | 电容 (μF) | 噪音 (dBA) | 曲线 |
| YWF2E200 | 230 | 50/60 | 0.28/0.31 | 60/69 | 2300/2500 | 420/510 | 2 | 47/48 | ①② |
| YWF2D200 | 400Y | 50/60 | 0.1/0.1 | 47/55 | 2450/2600 | 420/510 | / | 47/48 | |
| YWF4E200 | 230 | 50/60 | 0.18/0.21 | 42/50 | 1400/1600 | 340/360 | 1.5 | 43/46 | ③④ |
| YWF4D200 | 400 Y | 50/60 | 0.13/0.11 | 33/30 | 1400/1600 | 340/360 | / | 43/46 |
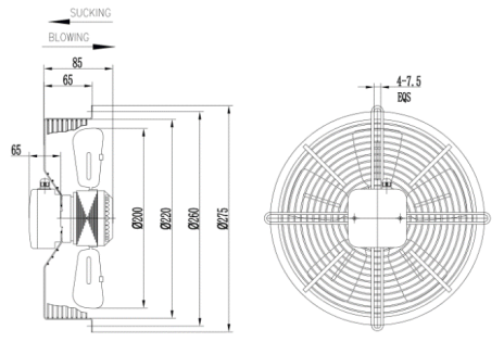
3.外形尺寸图

4.风量风压曲线图

上一页:EC轴流风机500mm
下一页:外转子轴流风机YWF250







